产品展示

PRODUCTS

您当前位置:-> 主页 > 产品展示 > 芯联LED驱动芯片 > 非隔离低PF > CL1503

CL1503

PRODUCTS

CL1503非隔离低PF 36W4A300ma以上 提供技术支持及方案 |

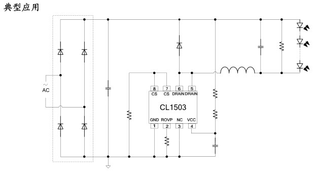
芯联授权一级代理商(为客户提供方案及技术支持) 需要更多产品详情资料,欢迎联系我们! CL1503非隔离降压型 LED恒流驱动器 概述 CL1503是一款性能优异的降压型恒流驱动芯片,可以

芯联授权一级代理商(为客户提供方案及技术支持)
需要更多产品详情资料,欢迎联系我们!


CL1503非隔离降压型 LED 恒流驱动器
概述
CL1503是一款性能优异的降压型恒流驱动芯片,可以实现高精度的LED恒流驱动。芯片工作于电感电流临界连续
模式(TM),工作电压覆盖85Vac~265Vac。芯片内部集成了500V功率器件,外围应用无需辅助绕组检测和供电即可
实现高精度恒流,极大的降低了外部成本。
CL1503具有多种恒流辅助功能,实现优异的线性补偿和高精度恒流效果。CL1503工作于电感电流临界连续模式
(TM),输出电流不随电感和负载的变化而变化,具有优异的负载调整特性。
CL1503集成多种保护功能,极大的增强了系统的可靠性。保护功能包括LED开路保护、LED短路保护、欠压锁定,
电流采样电阻短路保护和过温调节功能。

特性
◆宽输入电压
◆ ± 5%LED输出电流精度
◆内部集成500V功率管
◆芯片超低工作电流
◆电感电流临界连续模式(TM)
◆无辅助绕组
◆优异的线电压调整率和负载调整率
◆LED  开/短路保护
◆电流采样电阻短路保护
◆欠压锁定(UVLO)
◆过温调节功能

Copyright © 2002-2011 DEDECMS. 深圳市佳仕达科技有限公司 版权所有 粤ICP备06108901号 Power by DedeCms